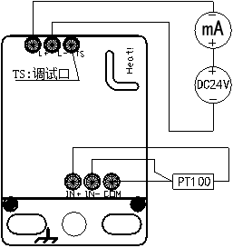
?
Two-wire 4-20mA working method, supporting quantum migration.
The full range of three points or two points of PT100 calibration.
Industrial temperature range -40 °C ~ 85 °C, import voltage Benchmark, circuit board temperature drift & lt; 35 ppm.
The enhanced protection circuit design has as many as 10 protective devices for the entire board. It has a variety of protections such as Overflow, overpressure, and reverse connection, and is more reassuring to use on the spot.
The wide power supply 5 ~ 30V power supply, the minimum 5V power supply can output 4 ~ 20mA current ring, can meet the special use of similar 10 ~ 12V power supply.
The two-way constant current source excitation effectively eliminates the line resistance.
Full digital calibration, convenient and fast.
|